网络安全参考 | UNIX参考 | GPS参考 | 无线参考 | 在线手册 | OSBUG.ORG | SUNNY-NETWORK.COM
网站地图 RSS订阅
高级搜索 收藏本站
Home | 行业动态 | GPS | Galileo | Glonass | 北斗 | A-GPS | GIS | 地图 | DIY | Google earth | POI | 解决方案
 当前位置: Home > GPS > GPS硬件 > 文章  
基于MAX2742型电路的GPS接收机设计
文章来源: 《国外电子元器件》 文章作者: 李今明 发布时间: 2006-04-06   字体: [ ]  
 


  MAX2742工作于18.414MHz晶振或TXCO,可通过IFSEL引脚(引脚10)来选择差分或单端IF输出(1.023MHz)。总的信号变换增益为120dB,噪声系数4.5dB,IF信号以18.414MHz的参考时钟频率进行采样。

  MAX2742采用48引脚TQFP封装,尺寸仅为9mm×9mm,可工作于-40℃-+85℃范围。

  3 MAX2742工作原理

  3.1 高性能内置LNA

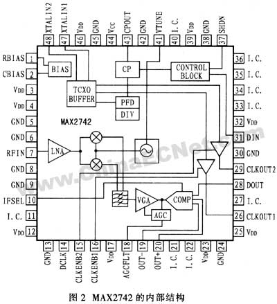
  图2示出MAX2742的内部结构。MAX2742采用高性能的内置LNA实现二级滤波,极大地降低了干扰信号对接收机性能的两种负面影响:第一,如果带外滤波不充分,干扰信号可能会引起低噪声放大器或降频变换器非线性工作,这会造成不真实输出或加大接收器的噪声系数;第二,如果解调器的干扰信号过大,则接收器处理的信号不真实,不能输出定位信息。


 
推荐文章
·基于uClinux的GPSOne/GPS双定位
·航天GPS接收机的低噪声放大器设
 

 
共5页: 上一页 [1] 2 [3] [4] [5] 下一页
↑返回顶部   打印本页   关闭窗口↓  

Google
 
Web oldhand.org unixreference.net meshmea.org
相关分类
热点文章
·GPS接收机射频前端电路原
·基于嵌入式Linux系统的车
·基于uClinux的GPSOne/GPS
·航天GPS接收机的低噪声放
·NXP的PMP参考设计采用了软
相关文章
·军用GPS干扰与抗干扰技术
·GPS导航产品 精准定位是决
·GPSONE与传统GPS的比较
·GPS接收机射频前端电路原
·聚焦GPS市场③车载GPS假货
·聚焦GPS市场②电子地图没
·聚焦GPS市场①车载GPS春光
·个不在大 精确则灵 GPS小
更多...
 
 

Copyright(c) 2006-2007 OLDHAND ORGANIZATION, All Rights reserved.
Power by DedeCms 织梦内容管理系统